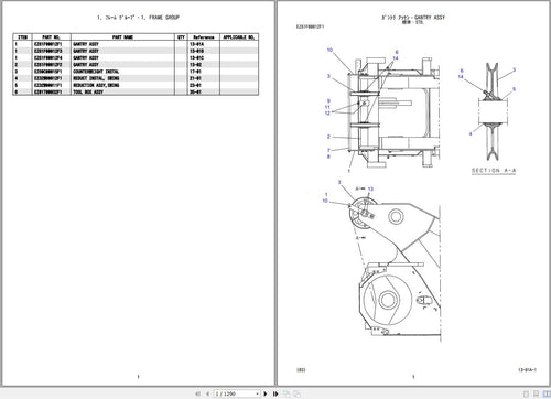
Download PDF Kobelco Manual

Welcome to the Download PDF Kobelco Manual collection which includes Kobelco Excavator, Kobelco Mini-Excavator, Kobelco Hydraulic Excavator and Kobelco Cranes and more... We provide you with the best quality images, diagrams, instructions to help you to operate, maintenance, diagnostic, service and repair your equipment. All manuals are printable without restrictions, contains searchable bookmarks, cross-links for quick navigation. Manual which are not listed can be provided by just your simple request. E-mail us at equipmentrepairmanuals@gmail.com .